preloader
ALEX - 2-3179
SERIE RUEDA

SERIE HLS-HG, Platina/Giratorio/Sin FrenoALEX

R.GIR.PLACA 10HLSE150-HGB SUSPENSION GOMA NEGRA NATURAL EJE BOLAS
R.GIR.PLACA 10HLSE150-HGB SUSPENSION GOMA NEGRA NATURAL EJE BOLAS
SERIE HLS-HG, Platina/Giratorio/Sin Freno
R.GIR.PLACA 10HLSE150-HGB SUSPENSION GOMA NEGRA NATURAL EJE BOLAS
R.GIR.PLACA 10HLSE150-HGB SUSPENSION GOMA NEGRA NATURAL EJE BOLAS
SERIE HLS-HG, Platina/Giratorio/Sin Freno
Nuestra gama de ruedas HLS está recomendada para el sector de la industria de alta carga con soporte de suspensión elástica mediante incorporación de muelle muy resistente, ideal en suelos irregulares donde su amortiguación actúa. Su uso es aplicable en: útiles de transporte logístico externo, carroceros, Logistica interna, gradas móviles, útiles de transporte, plataformas elevadoras, Logistica material misiones, maquinaria pesada, grúas móviles, plataformas elevadoras, utillaje para el sector aeronáutico, utillaje para el sector automoción, carretillas grandes con empuje mecánico, manutención de factorías.
Aplicadas en proyectos de ingeniería mecánica por delineantes y proyectistas.

Ruedas con núcleo de acero y banda de goma negra natura. Especialmente indicada para soportar altas cargas de hasta 700 Kg. Con soporte de suspensión elástica mediante incorporación de muelle muy resistente, ideal en suelos irregulares donde su amortiguación actúa.
Se aplica en útiles de transporte logístico, aéreas de exterior, grúas móviles, logística material misiones.
Principalmente en el sector aeronáutico, ferroviario. Aplicadas en proyectos de ingeniería mecánica por delineantes y proyectistas.
HG:Rueda apropiada para tracción mecánica. Máxima protección de los suelos. Rodadura suave y silenciosa. (Carretillas elevadoras, remolques etc…). Industria en general.

SOPORTE
Fabricada con acero soldado desde 8 m/m hasta 18 m/m de espesor.
Acabado cincado pintado negro.
Soporte con suspensión elástica mediante incorporación de muelle muy resistente.
Recorrido del muelle hasta 24,5mm para una carga de 700 kg.
Especialmente diseñada para absorber por amortiguación: golpes, Choques y desniveles.
Fabricadas según normas europeas EN 12532/12533.

PROPIEDADES
Tipo Producto: Rueda
Tipo Fijación: Platina
Tipo Soporte: Giratorio
Tipo Freno: Sin Freno
Aro: HG
Material: Goma
EAN 8422202231792
Referencia 2-3179
Descripción corta R.GIR.PLACA 10HLSE150-HGB SUSPENSION GOMA NEGRA NATURAL EJE BOLAS
Material Goma
Peso del artículo (en kg) 9.065
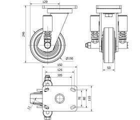
Diámetro (mm)150
CojineteBolas
Medidas de la placa (mm)150x110
Diámetro agujero (mm)10
Ancho de banda (mm)50
Capacidad de carga (kg)400
Distancia entre agujeros (mm)105x80
Radio de giro (mm)129
Altura total (mm)246
Volumen (cm3)5520
Tipo FijaciónPlatina
Tipo SoporteGiratorio
Tipo FrenoSin Freno
AroHG
SERIE HLS-HG, Platina/Fijo/Sin Freno

SERIE HLS-HG, Platina/Fijo/Sin Freno

Ruedas de alta capacidad de carga HLS-HG para usos y aplicaciones industriales para transporte logístico, aéreas de exterior, grúas móviles

8422202231914

SERIE HLS-HG, Platina/Giratorio/Freno Rueda

SERIE HLS-HG, Platina/Giratorio/Freno Rueda

Ruedas de alta capacidad de carga HLS-HG para usos y aplicaciones industriales para transporte logístico, aéreas de exterior, grúas móviles

8422202240503