preloader
ALEX - 2-4042
SERIE RUEDA

SERIE HLS-HUAB, Platina/Giratorio/Freno RuedaALEX

R.GIR.PLACA FR.10HLSEFN150-HUAB SUSPENSION POLIUR.NARANJA BOL.BALONA
R.GIR.PLACA FR.10HLSEFN150-HUAB SUSPENSION POLIUR.NARANJA BOL.BALONA
SERIE HLS-HUAB, Platina/Giratorio/Freno Rueda
R.GIR.PLACA FR.10HLSEFN150-HUAB SUSPENSION POLIUR.NARANJA BOL.BALONA
R.GIR.PLACA FR.10HLSEFN150-HUAB SUSPENSION POLIUR.NARANJA BOL.BALONA
SERIE HLS-HUAB, Platina/Giratorio/Freno Rueda
Nuestra gama de ruedas HLS está recomendada para el sector de la industria de alta carga con soporte de suspensión elástica mediante incorporación de muelle muy resistente, ideal en suelos irregulares donde su amortiguación actúa. Su uso es aplicable en: útiles de transporte logístico externo, carroceros, Logistica interna, gradas móviles, útiles de transporte, plataformas elevadoras, Logistica material misiones, maquinaria pesada, grúas móviles, plataformas elevadoras, utillaje para el sector aeronáutico, utillaje para el sector automoción, carretillas grandes con empuje mecánico, manutención de factorías.
Aplicadas en proyectos de ingeniería mecánica por delineantes y proyectistas.

Ruedas con núcleo de acero y banda de poliuretano fundido con dureza de 95˚ shore A con banda de rodadura en forma balona, especialmente indicada para soportar altas cargas hasta 800 Kg. Con soporte de suspensión elástica mediante incorporación de muelle muy resistente, ideal en suelos irregulares donde su amortiguación actúa.
Se aplica en útiles de transporte logístico, área de exteriores, logística interna, gradas móviles, plataformas elevadoras, carros de transporte, logística material misiones, maquinaria pesada del sector de la construcción, grúas móviles. Principalmente en el sector aeronáutico, ferroviario y automoción.
HUAB: Maxima maniobrabilidad. Alta absorción a los golpes. Condiciones de pavimento desfavorables. Superficies rugosas, quebradas, con virutas metálicas, manchas de aceite, cristales, grasas, grava.

SOPORTE
Fabricada con acero soldado desde 8 m/m hasta 18 m/m de espesor.Acabado cincado pintado negro. Soporte con suspensión elástica mediante incorporación de muelle muy resistente. Recorrido del muelle hasta 24,5mm para una carga de 700 kg. Especialmente diseí±ada para absorber por amortiguación: golpes, Choques y desniveles. Fabricadas según normas europeas EN 12532/12533.

PROPIEDADES
Tipo Producto: Rueda
Tipo Fijación: Platina
Tipo Soporte: Giratorio
Tipo Freno: Freno Rueda
Aro: HUAB
Material: Poliuretano
Dureza del bandaje: 95º SHORE A
EAN 8422202240428
Referencia 2-4042
Descripción corta R.GIR.PLACA FR.10HLSEFN150-HUAB SUSPENSION POLIUR.NARANJA BOL.BALONA
Material Poliuretano
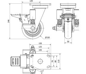
Diámetro (mm)150
CojineteBolas
Medidas de la placa (mm)150x110
Diámetro agujero (mm)10
Ancho de banda (mm)50
Capacidad de carga (kg)600
Distancia entre agujeros (mm)105x80
Radio de giro (mm)129
Altura total (mm)246
Tipo FijaciónPlatina
Tipo SoporteGiratorio
Tipo FrenoFreno Rueda
AroHUAB
SERIE HLS-HUAB, Platina/Giratorio/Sin Freno

SERIE HLS-HUAB, Platina/Giratorio/Sin Freno

Ruedas de alta capacidad de carga HLS-HUAB para usos y aplicaciones industriales para grúas móviles, maquinaria pesada del sector de la construcción

8422202235424

SERIE HLS-HUAB, Platina/Fijo/Sin Freno

SERIE HLS-HUAB, Platina/Fijo/Sin Freno

Ruedas de alta capacidad de carga HLS-HUAB para usos y aplicaciones industriales para grúas móviles, maquinaria pesada del sector de la construcción

8422202235448