preloader
ALEX - 2-4055
SERIE RUEDA

SERIE HLSB-AUAB, Platina/Giratorio/Freno RuedaALEX

R.GIR.PLACA FR.10HLSBFN160-AUAB SUSPENSION POLIUR.NARAN.BOLAS BALONA
R.GIR.PLACA FR.10HLSBFN160-AUAB SUSPENSION POLIUR.NARAN.BOLAS BALONA
SERIE HLSB-AUAB, Platina/Giratorio/Freno Rueda
R.GIR.PLACA FR.10HLSBFN160-AUAB SUSPENSION POLIUR.NARAN.BOLAS BALONA
R.GIR.PLACA FR.10HLSBFN160-AUAB SUSPENSION POLIUR.NARAN.BOLAS BALONA
SERIE HLSB-AUAB, Platina/Giratorio/Freno Rueda
Nuestra gama de ruedas HLSB está recomendada para el sector de la industria de alta carga con soporte de suspensión elástica mediante incorporación de muelle muy resistente para absorber golpes, choques y desniveles. Recorrido de suspensión hasta 25mm., ideal en suelos irregulares donde su amortiguación actúa. Su uso es aplicable en: útiles de transporte logístico interno y externo, carroceros, útiles de transporte, plataformas elevadoras, Logistica material misiones, maquinaria pesada, grúas móviles, plataformas elevadoras, utillaje para el sector aeronáutico, utillaje para el sector automoción, carretillas grandes con empuje mecánico.
Aplicadas en proyectos de ingeniería mecánica por delineantes y proyectistas.

Ruedas con núcleo de aluminio y banda de poliuretano fundido con dureza de 95˚ Shore A con banda de rodadura en forma balona, especialmente indicada para soportar altas cargas hasta 800 Kg. Con soporte de suspensión elástica mediante incorporación de muelle muy resistente para absorber golpes, choques y desniveles. Recorrido de suspensión hasta 25mm., ideal en suelos irregulares donde su amortiguación actúa.
Se aplica en útiles de transporte logístico, área de exteriores, logística interna, gradas móviles, plataformas elevadoras, carros de transporte, AGV, logística material misiones, maquinaria pesada del sector de la construcción, grúas móviles. Principalmente en el sector aeronáutico, ferroviario y automoción.
AUAB: Maxima maniobrabilidad. Alta absorción a los golpes. Condiciones de pavimento desfavorables. Superficies rugosas, quebradas, con virutas metálicas, manchas de aceite, cristales, grasas, grava.
Menor esfuerzo al giro y desplazamiento

SOPORTE
Fabricada con acero soldado hasta 8 m/m de espesor. Acabado pintado negro. Soporte con suspensión elástica mediante incorporación de muelle muy resistente. Recorrido del muelle hasta 25 mm para una carga de 200 kg. Especialmente diseñada para absorber por amortiguación: golpes, Choques y desniveles. Fabricadas según normas europeas EN 12532/12533. 

PROPIEDADES
Tipo Producto: Rueda
Tipo Fijación: Platina
Tipo Soporte: Giratorio
Tipo Freno: Freno Rueda
Aro: AUAB
Material: Poliuretano
Dureza del bandaje: 95º SHORE A
EAN 8422202240558
Referencia 2-4055
Descripción corta R.GIR.PLACA FR.10HLSBFN160-AUAB SUSPENSION POLIUR.NARAN.BOLAS BALONA
Material Poliuretano
Peso del artículo (en kg) 9180
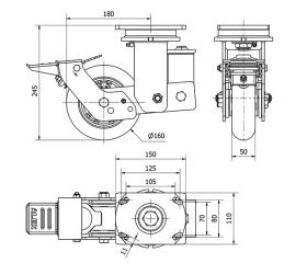
Diámetro (mm)160
CojineteBolas
Medidas de la placa (mm)150x110
Diámetro agujero (mm)10
Ancho de banda (mm)50
Capacidad de carga (kg)600
Distancia entre agujeros (mm)105x80
Radio de giro (mm)180
Altura total (mm)245
Tipo FijaciónPlatina
Tipo SoporteGiratorio
Tipo FrenoFreno Rueda
AroAUAB
SERIE HLSB-AUAB, Platina/Giratorio/Sin Freno

SERIE HLSB-AUAB, Platina/Giratorio/Sin Freno

Ruedas de alta carga HLSB-AUAB diseñadas y fabricadas para todo tipo de usos y aplicaciones industriales. Diseñadas para absorber golpes, choques y desniveles.

8422202240534

SERIE HLSB-AUAB, Platina/Fijo/Sin Freno

SERIE HLSB-AUAB, Platina/Fijo/Sin Freno

Ruedas de alta carga HLSB-AUAB diseñadas y fabricadas para todo tipo de usos y aplicaciones industriales. Diseñadas para absorber golpes, choques y desniveles.

8422202240541