preloader
ALEX - 2-4185
SERIE RUEDA

SERIE SLR-AUSB, Platina/Fijo/Sin FrenoALEX

R.FIJA 17SLR160-AUSB ALUM.-POLIUR.BLANCO"VELOC"EJE BOLAS
R.FIJA 17SLR160-AUSB ALUM.-POLIUR.BLANCO"VELOC"EJE BOLAS
SERIE SLR-AUSB, Platina/Fijo/Sin Freno
R.FIJA 17SLR160-AUSB ALUM.-POLIUR.BLANCO"VELOC"EJE BOLAS
R.FIJA 17SLR160-AUSB ALUM.-POLIUR.BLANCO"VELOC"EJE BOLAS
SERIE SLR-AUSB, Platina/Fijo/Sin Freno

Nuestra gama de ruedas SLR está recomendada para los sectores industriales de alta y media capacidad de carga. Su uso es aplicable en: útiles de transporte logístico, sector aeronáutico, automoción, ferroviario, talleres, servicios públicos, ferroviario, automoción, aeronáutico, naval, construcción, contenedores. Manutención de factorías, industrias, metalúrgicas. Fácil movimiento en los giros radiales y axiales.
Aplicadas en proyectos de ingeniería mecánica por delineantes y proyectistas.

Ruedas con núcleo de aluminio y banda de poliuretano blanco fundido con dureza de 88˚ shore A, especialmente indicada para soportar altas cargas hasta 650 Kg.
Se aplica en útiles de transporte logístico, áreas de exteriores, carroceros, AGV, logística interna, gradas móviles, plataformas elevadoras, logística material misiones, maquinaria pesada, grúas móviles, mesas elevadoras, carros. Utillajes, aéreas industriales. Aplicadas en proyectos de ingeniería mecánica por delineantes y proyectistas.
AUSB: Recomendada para desplazamientos en velocidad (hasta 16 KM/H). Alta absorción a los golpes. Condiciones de pavimento desfavorables. Superficies rugosas, quebradas, con virutas metálicas, manchas de aceite, cristales, grasas, grava.

SOPORTE
Fabricada con acero soldado desde 6 m/m hasta 8 m/m de espesor.
Doble cabezal giratorio, el superior de bolas grandes de acero y el inferior de precisión que facilita los esfuerzos de giro, radiales y axiales.
Modelo construido especialemente para: carretillas grandes con empuje mecánico, manutención de factorías, industrias metalúrgicas.
Acabado cincado blanco.
Fabricadas según normas europeas EN 12532.

PROPIEDADES
Tipo Producto: Rueda
Tipo Fijación: Platina
Tipo Soporte: Fijo
Tipo Freno: Sin Freno
Aro: AUSB
Dureza del bandaje: 88º SHORE A
EAN 8422202241852
Referencia 2-4185
Descripción corta R.FIJA 17SLR160-AUSB ALUM.-POLIUR.BLANCO"VELOC"EJE BOLAS
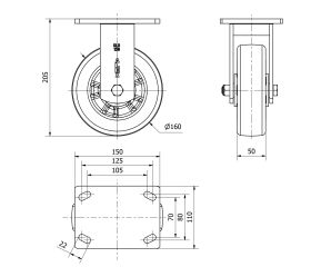
Diámetro (mm)160
CojineteBolas
Medidas de la placa (mm)150x110
Diámetro agujero (mm)10
Ancho de banda (mm)50
Capacidad de carga (kg)600
Distancia entre agujeros (mm)125x70/105x80
Altura total (mm)205
Tipo FijaciónPlatina
Tipo SoporteFijo
Tipo FrenoSin Freno
AroAUSB
SERIE SLR-AUSB, Platina/Giratorio/Sin Freno

SERIE SLR-AUSB, Platina/Giratorio/Sin Freno

Ruedas de velocidad de alta y media capacidad de carga SLR-AUSB para transporte industrial, utilizadas en áreas de exteriores, logística interna, gradas móviles

8422202241845

SERIE SLR-AUSB, Platina/Giratorio/Freno Rueda y Soporte

SERIE SLR-AUSB, Platina/Giratorio/Freno Rueda y Soporte

Ruedas de velocidad de alta y media capacidad de carga SLR-AUSB para transporte industrial, utilizadas en áreas de exteriores, logística interna, gradas móviles

8422202241869