preloader
ALEX - 4-1135
SERIE RUEDA

SERIE GT-TA, Platina/Fijo/Sin FrenoALEX

R.FIJA 17GT150-CI HIERRO FUNDIDO EJE LISO
R.FIJA 17GT150-CI HIERRO FUNDIDO EJE LISO
SERIE GT-TA, Platina/Fijo/Sin Freno
R.FIJA 17GT150-CI HIERRO FUNDIDO EJE LISO
R.FIJA 17GT150-CI HIERRO FUNDIDO EJE LISO
SERIE GT-TA, Platina/Fijo/Sin Freno
Nuestra gama de ruedas GT está recomendada para el sector de la industria química, mataderos, textil.
De alta carga donde su uso es aplicable en: útiles de transporte logístico, aéreas de exteriores, logística interna, gradas móviles, útiles de transporte, plataformas elevadoras, utillaje para el sector aeronáutico, utillaje para el sector automoción, carretillas grandes con empuje mecánico, manutención de factorías, industrias metalúrgicas.
Aplicadas en proyectos de ingeniería mecánica.

Ruedas de acero, especialmente indicada para soportar altas cargas hasta 1.270 Kg.
Se aplica en herramientas de transporte logístico, hornos de alta temperatura (-40º a +300º) y maquinaria pesada para el sector de la construcción.
Utilizado principalmente en el sector ferroviario y fábricas de automóviles.
TA: Condiciones de trabajo muy severas donde la existencia de objetos cortantes productos químicos o temperaturas excesivas destruirían a otros tipos de ruedas.Gran capacidad de carga.
Para temperaturas superiores a 200º reducir carga (Kg) un 40%.

SOPORTE
Fabricada con acero hasta 8 m/m de espesor.
Acabado pintado negro.
Cabezal giratorio con bolas de acero de gran dureza diseí±ado para soportar esfuerzos radiales y laterales.
Cabezal totalmente hermético con engrasador.
Fabricadas según normas europeas EN 12532/12533.

PROPIEDADES
Tipo Producto: Rueda
Tipo Fijación: Platina
Tipo Soporte: Fijo
Tipo Freno: Sin Freno
Aro: TA
Material: Acero
EAN 8422202411354
Referencia 4-1135
Descripción corta R.FIJA 17GT150-CI HIERRO FUNDIDO EJE LISO
Material Acero
Peso del artículo (en kg) 5.36
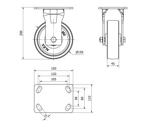
Diámetro (mm)150
CojineteLiso
Medidas de la placa (mm)150x110
Diámetro agujero (mm)12
Ancho de banda (mm)45
Capacidad de carga (kg)1090
Distancia entre agujeros (mm)105x80
Altura total (mm)200
Volumen (cm3)3300
Tipo FijaciónPlatina
Tipo SoporteFijo
Tipo FrenoSin Freno
AroTA
SERIE GT-TA, Platina/Giratorio/Sin Freno

SERIE GT-TA, Platina/Giratorio/Sin Freno

GT-TA heavy duty castors for industrial uses and applications for logistics transport, furnaces standing high temperatures (-40º to +300º)...

8422202411330