
| EAN | 8424427335507 |
| Referencia | 1506 |
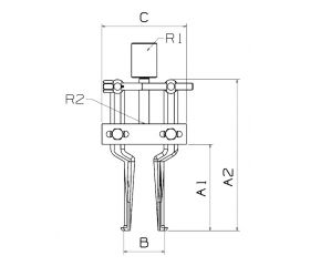
| Descripción corta | EXTRACTOR INTERIOR FORZA CON POMO 110X90 |
| Material | Patas de acero aleado |
| Acabado | Niquelado, husillo pavonado |
| Peso del artículo (en kg) | 2.4 |
| A (Altura útil) | 115 |
| B (Apertura máxima) | 145 |
| B (Apertura mínima) | 40 |
| C (Anchura del cuerpo) | 133 |
| R1 | 1" 14h |
| R2 | 5/8" 18h |
| Garantía | Ilimitada por defecto de fabricación |
| Certificación | ISO 9001 & ISO 14001 |
EXTRACTOR FORZA SERIE 1100 DE 2 ALARGADERAS
EXTRACTOR FORZA 2 ALARGADERAS 190X195
8424427317206
EXTRACTOR FORZA SERIE 1100 DE 2 ALARGADERAS
EXTRACTOR FORZA 2 ALARGADERAS 255X325
8424427317305
EXTRACTOR FORZA SERIE 1100 DE 2 ALARGADERAS
EXTRACTOR FORZA 2 ALARGADERAS 255X445
8424427013658
HUSILLOS PARA EXTRACTORES INTERIORES SERIE 1500-1500A
HUSILLO REGULACION EXTRACTOR 1506A
8424427316407
PATA PARA EXTRACTOR INTERIOR SERIE 1500-1500A-1500H
PATA EXTRACTOR 1506
8424427336900
EXTRACTOR INTERIORES FORZA SERIE 1500A
8424427335606
EXTRACTOR BARRA DE IMPACTO FORZA SERIE 4394
8424427108088
EXTRACTOR BARRA DE IMPACTO FORZA SERIE 4396
8424427259230
EXTRACTOR DE INTERIOR Y EXTERIOR FORZA SERIE 4702
8424427262704
EXTRACTOR DE INTERIOR Y EXTERIOR FORZA SERIE 4704
8424427778922
EXTRACTOR INTERIORES FORZA SERIE 4708
8424427483642