preloader
FORZA - 10051
AMARRE Y MECANIZADO

BOCAS PRISMÁTICAS CON ESCALÓN FORZA PARA MORDAZAFORZA

  • Diseño específico para piezas cilíndricas: Las bocas prismáticas con escalón están especialmente diseñadas para sujetar con firmeza piezas de forma cilíndrica, mejorando la estabilidad y precisión en el mecanizado.
  • Eliminación de calzos o paralelas: Gracias a su estructura con escalón, se evita el uso de calzos o paralelas adicionales, simplificando el proceso de amarre y ahorrando tiempo en la preparación de las piezas.
  • Mayor precisión en el mecanizado: Al asegurar un amarre estable, se reduce la posibilidad de errores o movimientos durante el proceso, lo que mejora la calidad del trabajo final.
  • Ahorro de tiempo y recursos: El diseño que elimina la necesidad de calzos o paralelas simplifica el proceso de preparación, permitiendo a los operarios trabajar de manera más eficiente.
BOCAS PRISMÁTICAS CON ESCALÓN FORZA PARA MORDAZA
BOCAS PRISMÁTICAS CON ESCALÓN FORZA PARA MORDAZA
BOCAS PRISMÁTICAS CON ESCALÓN FORZA PARA MORDAZA
BOCAS PRISMÁTICAS CON ESCALÓN FORZA PARA MORDAZA
Las bocas prismáticas con escalón son un accesorio esencial diseñado para mejorar la funcionalidad y versatilidad de las mordazas de las series 30 y 60.
Este conjunto, que se suministra en juegos de dos unidades, está específicamente creado para sujetar piezas cilíndricas de manera segura y precisa, eliminando la necesidad de utilizar calzos o paralelas.
Gracias a su diseño prismático con escalón, estas bocas permiten un amarre sólido y estable de las piezas, asegurando un ajuste firme y reduciendo el riesgo de deslizamiento o movimiento durante las operaciones de mecanizado.
Están fabricadas con materiales de alta calidad que garantizan una larga vida útil y una resistencia excepcional al desgaste y la deformación, lo que las hace ideales para aplicaciones en entornos industriales exigentes.

Recomendaciones de uso:
Asegúrese de que las bocas prismáticas con escalón estén correctamente instaladas en las mordazas de las series 30 y 60 antes de comenzar el amarre.
Utilice las bocas prismáticas con escalón principalmente para piezas cilíndricas, para garantizar un amarre firme y seguro.
Verifique que la pieza a sujetar esté limpia y libre de residuos que puedan interferir con el amarre.
Ajuste las mordazas con la fuerza adecuada para evitar deformaciones en las piezas, especialmente cuando se trabaja con materiales más blandos.
Realice pruebas de sujeción con piezas de prueba antes de proceder con el mecanizado de piezas finales, para asegurar la estabilidad del amarre.

Recomendaciones de mantenimiento:
Limpieza regular: Después de cada uso, limpie las bocas prismáticas con escalón para eliminar residuos de metal o lubricantes que puedan acumularse y afectar su rendimiento.
Inspección periódica: Revise regularmente las bocas prismáticas para detectar signos de desgaste o deformación, especialmente si se utilizan en condiciones de trabajo intensivas.
Lubricación ocasional: Aplique una ligera capa de lubricante en las superficies de contacto de las bocas para evitar la corrosión y garantizar un movimiento suave en las mordazas.
EAN 8424427462906
Referencia 10051
Descripción corta JUEGO 2 BOCAS PRISM.C/ESCALON 100
Peso del artículo (en kg) 0.5
Mordaza100
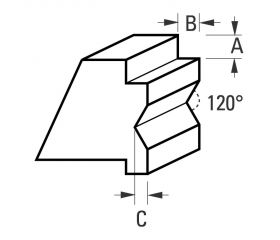
A (Altura escalón)4
B (Profundidad escalón)3
C (Profundidad de prisma)3
Garantía Ilimitada por defecto de fabricación
Certificación ISO 9001 & ISO 14001
BOCAS BLANDAS FORZA PARA MORDAZA

BOCAS BLANDAS FORZA PARA MORDAZA

8424427462807

BOCAS PRISMATICAS FORZA PARA MORDAZA

BOCAS PRISMATICAS FORZA PARA MORDAZA

8424427463101

BOCAS LISAS CON ESCALÓN FORZA PARA MORDAZA

BOCAS LISAS CON ESCALÓN FORZA PARA MORDAZA

8424427463002

BOCAS LISAS FORZA PARA MORDAZA

BOCAS LISAS FORZA PARA MORDAZA

8424427753752

BOCAS ESTÁNDAR FORZA PARA MORDAZA

BOCAS ESTÁNDAR FORZA PARA MORDAZA

8424427523706

BOCAS CON PINCHOS FORZA PARA MORDAZA

BOCAS CON PINCHOS FORZA PARA MORDAZA

8424427137750

BOCAS CON MORDIENTES FORZA PARA MORDAZA

BOCAS CON MORDIENTES FORZA PARA MORDAZA

8424427932751

BOCAS FRESADAS ESTRIADAS FORZA PARA MORDAZA SERIE 25

BOCAS FRESADAS ESTRIADAS FORZA PARA MORDAZA SERIE 25

8424427889086

BOCAS CON MORDIENTES PARA SERIE 24

BOCAS CON MORDIENTES PARA SERIE 24

8424427193794