preloader
FORZA - 150P40V
AMARRE Y MECANIZADO

PARALELAS CON BRIDA FORMA V FORZAFORZA

  • Estabilidad asegurada: La brida de amarre integrada garantiza que la paralela permanezca en su lugar durante todo el proceso de trabajo, eliminando movimientos no deseados y mejorando la precisión.
  • Compatibilidad amplia: Diseñadas para ajustarse perfectamente a las mordazas de las series 29, 30 y 60, estas paralelas son versátiles y adecuadas para una variedad de aplicaciones industriales.
  • Mejora en la precisión del trabajo: Al evitar movimientos y desplazamientos de la paralela, el usuario puede realizar tareas con mayor exactitud, reduciendo errores y mejorando la calidad del producto final.
  • Ahorro de tiempo: La sujeción segura y estable facilita el trabajo, permitiendo completar tareas de manera más rápida y eficiente.
PARALELAS CON BRIDA FORMA V FORZA
PARALELAS CON BRIDA FORMA V FORZA
PARALELAS CON BRIDA FORMA V FORZA
PARALELAS CON BRIDA FORMA V FORZA
Las Paralelas con Brida Forma V son herramientas esenciales diseñadas para optimizar el trabajo en talleres mecánicos y de precisión.
Estas paralelas están equipadas con una brida de amarre, la cual asegura un posicionamiento estable y firme de la herramienta, evitando cualquier tipo de deslizamiento durante su uso.
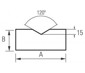
Con un espesor de 16 mm, estas paralelas están diseñadas específicamente para ser compatibles con mordazas de las series 29, 30 y 60, garantizando una sujeción adecuada y precisa.
La forma en V permite un ajuste y acoplamiento perfecto a las mordazas, lo que facilita operaciones de alta precisión.
Su construcción robusta y duradera asegura un rendimiento confiable, incluso en entornos de trabajo intensivos.

Recomendaciones de Uso
Asegúrese de que las paralelas estén correctamente alineadas con las mordazas antes de apretar la brida de amarre.
Verifique que la brida esté bien sujeta para evitar movimientos durante el trabajo.
Utilice siempre herramientas adecuadas y calibradas para evitar daños a las paralelas o a las piezas de trabajo.
No utilice las paralelas con mordazas que no correspondan a las series recomendadas (29, 30 y 60).
Mantenga la superficie de las paralelas limpia y libre de residuos para garantizar un contacto óptimo con las mordazas.

Recomendaciones de Mantenimiento
Limpieza regular: Después de cada uso, limpie las paralelas con un paño seco para eliminar residuos y polvo.
Inspección periódica: Revise regularmente la brida y las superficies de contacto en busca de signos de desgaste o daño.
Almacenamiento adecuado: Guarde las paralelas en un lugar seco y seguro, lejos de fuentes de humedad o corrosión, para prolongar su vida útil.
EAN 8424427538304
Referencia 150P40V
Descripción corta PARALELA 150X40 EN V
Peso del artículo (en kg) 0.8
A150
B40
Garantía Ilimitada por defecto de fabricación
Certificación ISO 9001 & ISO 14001
PARALELAS CON BRIDA FORMA SIMPLE FORZA

PARALELAS CON BRIDA FORMA SIMPLE FORZA

8424427538205

PARALELAS CON SOPORTE DE AMARRE RÁPIDO FORZA

PARALELAS CON SOPORTE DE AMARRE RÁPIDO FORZA

8424427643008

PARALELAS CON BRIDA FORMA W FORZA

PARALELAS CON BRIDA FORMA W FORZA

8424427538403