preloader
FORZA - 2650
EXTRACTORES

PRENSA HIDRÁULICA FORZA PARA EXTRACTORES 5 Y 11 TONFORZA

  • Multiplicación de fuerza: Gracias a la diferencia de diámetros en los pistones, se logra una multiplicación significativa de la fuerza aplicada, permitiendo realizar extracciones de manera más eficiente y con menos esfuerzo físico.
  • Retorno automático: El sistema hidráulico de retorno automático optimiza el proceso, reduciendo la necesidad de intervención manual, lo que ahorra tiempo y mejora la seguridad en el trabajo.
  • Mayor productividad: La facilidad de uso y la rapidez del sistema hidráulico permiten completar trabajos de extracción en menor tiempo, aumentando la productividad en el taller o en el lugar de trabajo.
  • Menor esfuerzo físico: El diseño ergonómico y el sistema hidráulico reducen el esfuerzo físico necesario por parte del usuario, disminuyendo el riesgo de fatiga y lesiones laborales.
PRENSA HIDRÁULICA FORZA PARA EXTRACTORES 5 Y 11 TON
PRENSA HIDRÁULICA FORZA PARA EXTRACTORES 5 Y 11 TON
PRENSA HIDRÁULICA FORZA PARA EXTRACTORES 5 Y 11 TON
PRENSA HIDRÁULICA FORZA PARA EXTRACTORES 5 Y 11 TON
PRENSA HIDRÁULICA FORZA PARA EXTRACTORES 5 Y 11 TON
PRENSA HIDRÁULICA FORZA PARA EXTRACTORES 5 Y 11 TON
PRENSA HIDRÁULICA FORZA PARA EXTRACTORES 5 Y 11 TON
PRENSA HIDRÁULICA FORZA PARA EXTRACTORES 5 Y 11 TON
La prensa hidráulica para extractores de 5 y 11 toneladas es una herramienta de alta eficiencia diseñada para optimizar el proceso de extracción en aplicaciones mecánicas e industriales.
Este equipo cuenta con un sistema hidráulico de retorno automático, lo que permite a los extractores mecánicos aumentar significativamente su fuerza de operación.
Gracias a la diferencia de diámetros entre los pistones, la fuerza aplicada se multiplica, logrando un rendimiento excepcional con un esfuerzo mínimo.
La aplicación de la fuerza hidráulica se realiza mediante el giro de un tornillo, proporcionando un control preciso y fácil manejo del proceso de extracción.
El sistema hidráulico permite una extracción más rápida y con menor esfuerzo físico por parte del usuario, lo que reduce el tiempo de trabajo y mejora la eficiencia general en el taller o en el lugar de trabajo.
Con una construcción robusta y duradera, esta prensa está diseñada para soportar las exigencias de trabajos pesados, garantizando un rendimiento constante y confiable en cada uso.

Recomendaciones de Uso
Verificar que la prensa esté correctamente instalada y fijada antes de comenzar a usarla para evitar accidentes.
Asegurarse de que el tornillo de aplicación de fuerza esté bien lubricado para un funcionamiento suave y eficiente.
No exceder la capacidad de carga máxima de la prensa, que es de 5 o 11 toneladas según el modelo, para evitar daños a la herramienta y posibles accidentes.
Usar equipos de protección personal, como guantes y gafas de seguridad, durante el uso de la prensa para prevenir lesiones.
Realizar un mantenimiento regular del sistema hidráulico para garantizar un rendimiento óptimo y prolongar la vida útil del equipo.

Recomendaciones de Mantenimiento
Inspeccionar regularmente el sistema hidráulico en busca de fugas de aceite o daños en las mangueras, y realizar reparaciones o reemplazos si es necesario.
Mantener el tornillo de aplicación de fuerza bien lubricado y libre de polvo y suciedad para asegurar un funcionamiento suave y eficiente.
Almacenar la prensa en un lugar seco y seguro cuando no esté en uso, para protegerla de la corrosión y otros daños que puedan afectar su rendimiento a largo plazo.
EAN 8424427794397
Referencia 2650
Descripción corta PRENSA HIDRAULICA DE 5 TON
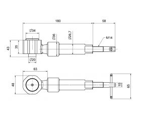
Peso del artículo (en kg) 1.3
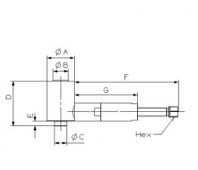
Diámetro45
Carrera4
TON5
Garantía Ilimitada por defecto de fabricación
Certificación ISO 9001 & ISO 14001
PRENSA HIDRÁULICA FORZA PARA EXTRACTORES 8 Y 12 TON

PRENSA HIDRÁULICA FORZA PARA EXTRACTORES 8 Y 12 TON

8424427136951