preloader
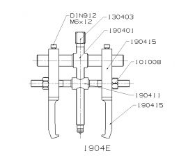
FORZA - 1904E
EXTRACTORES

EXTRACTOR FORZA SERIE 1900E PARA EXTERIORESFORZA

  • Durabilidad extrema: Fabricado para soportar condiciones exteriores y trabajos pesados sin sufrir desgaste prematuro.
  • Facilidad de uso: El diseño con husillo de cabeza cuadrada permite un mejor agarre con la llave, lo que facilita el trabajo incluso en situaciones complejas.
  • Mayor eficiencia en el trabajo: Al contar con un diseño optimizado, el tiempo de extracción se reduce significativamente, lo que se traduce en una mayor productividad.
  • Seguridad mejorada: El agarre firme y la construcción robusta reducen el riesgo de accidentes durante su uso, protegiendo al operario y a los componentes.
EXTRACTOR FORZA SERIE 1900E PARA EXTERIORES
EXTRACTOR FORZA SERIE 1900E PARA EXTERIORES
EXTRACTOR FORZA SERIE 1900E PARA EXTERIORES
EXTRACTOR FORZA SERIE 1900E PARA EXTERIORES
EXTRACTOR FORZA SERIE 1900E PARA EXTERIORES
EXTRACTOR FORZA SERIE 1900E PARA EXTERIORES
EXTRACTOR FORZA SERIE 1900E PARA EXTERIORES
EXTRACTOR FORZA SERIE 1900E PARA EXTERIORES
EXTRACTOR FORZA SERIE 1900E PARA EXTERIORES
EXTRACTOR FORZA SERIE 1900E PARA EXTERIORES
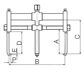
El Extractor Serie 1900E para exteriores es una herramienta diseñada específicamente para facilitar el proceso de extracción en entornos abiertos.
Fabricado con materiales de alta resistencia, este extractor es ideal para trabajos que requieren fuerza y durabilidad.
Su diseño incluye un husillo lateral que presiona firmemente las patas, asegurando una operación eficiente y precisa.
El husillo cuenta con una cabeza cuadrada que permite un mejor agarre de la llave, optimizando la aplicación de fuerza sin riesgo de deslizamiento.
Esta herramienta es perfecta para trabajos en condiciones exteriores, ya que soporta ambientes difíciles y proporciona una solución eficaz en trabajos pesados.
Con el Extractor Serie 1900E, los usuarios pueden confiar en su capacidad para extraer componentes de manera rápida y segura, minimizando el esfuerzo y el tiempo.

Recomendaciones de uso:
Asegúrate de que las patas del extractor estén correctamente alineadas y posicionadas antes de aplicar presión.
Utiliza una llave adecuada para el husillo de cabeza cuadrada, asegurando que el agarre sea firme para evitar daños.
Aplica presión de manera gradual, evitando movimientos bruscos que puedan dañar los componentes o la herramienta.
En condiciones de humedad o lluvia, verifica que el extractor esté seco antes de guardarlo, para prevenir corrosión.
Mantén el extractor limpio de residuos o suciedad después de cada uso para garantizar su correcto funcionamiento en futuras operaciones.

Recomendaciones de mantenimiento:
Limpia regularmente el husillo y las patas del extractor con un paño seco o ligeramente humedecido para eliminar suciedad acumulada.
Aplica lubricante en el husillo para evitar fricción excesiva y asegurar un movimiento suave durante el uso.
Inspecciona periódicamente todas las piezas móviles y reemplaza cualquier parte desgastada para garantizar la seguridad y la eficiencia en el trabajo.
EAN 8424427894431
Referencia 1904E
Descripción corta SEPARADOR EXTERIORES FORZA Ø30-130
Peso del artículo (en kg) 1.7
A (Altura útil de pata)83
B (Apertura máxima)130
B (Apertura mínima)30
E3
Garantía Ilimitada por defecto de fabricación
Certificación ISO 9001 & ISO 14001
PROTECTORES DE PUNTO  PARA EXTRACTORES MECÁNICOS

PROTECTORES DE PUNTO PARA EXTRACTORES MECÁNICOS

JUEGO DE 3 PROTECTORES DE PUNTO Ø13

8424427624205

PATA  PARA DESPEGADOR SERIE 1900E

PATA PARA DESPEGADOR SERIE 1900E

PATA EXTERIORES 1904E

8424427564006

HUSILLOS PARA SERIES 1300-1300T-1300L-1300LT

HUSILLOS PARA SERIES 1300-1300T-1300L-1300LT

HUSILLO EXTRACTOR 1304

8424427330700

EXTRACTOR FORZA SERIE 1900 DESPEGADORES RODAMIENTOS

EXTRACTOR FORZA SERIE 1900 DESPEGADORES RODAMIENTOS

8424427909524

EXTRACTOR FORZA SERIE 1900R PARA ROSCAS

EXTRACTOR FORZA SERIE 1900R PARA ROSCAS

8424427024074

JUEGO FORZA 1900K DE EXTRACTORES MECÁNICOS

JUEGO FORZA 1900K DE EXTRACTORES MECÁNICOS

8424427459883

EXTRACTOR FORZA SERIE 1900V PARA POLEAS EN V

EXTRACTOR FORZA SERIE 1900V PARA POLEAS EN V

8424427499711