preloader
FORZA - 1904
EXTRACTORES

EXTRACTOR FORZA SERIE 1900 DESPEGADORES RODAMIENTOSFORZA

  • La cabeza cuadrada del husillo permite un mejor agarre, facilitando el uso de la herramienta con llaves estándar, lo que ofrece mayor control y seguridad en la operación.
  • La inclusión del husillo lateral asegura una distribución uniforme de la presión, reduciendo el riesgo de dañar los componentes del rodamiento o las partes adyacentes durante la extracción.
  • Ahorro de tiempo y esfuerzo en el desmontaje de rodamientos, lo que resulta en una mayor productividad y eficiencia en el trabajo.
  • Protección de los rodamientos y otras piezas circundantes, minimizando el riesgo de daños y prolongando la vida útil de los componentes mecánicos.
EXTRACTOR FORZA SERIE 1900 DESPEGADORES RODAMIENTOS
EXTRACTOR FORZA SERIE 1900 DESPEGADORES RODAMIENTOS
EXTRACTOR FORZA SERIE 1900 DESPEGADORES RODAMIENTOS
EXTRACTOR FORZA SERIE 1900 DESPEGADORES RODAMIENTOS
EXTRACTOR FORZA SERIE 1900 DESPEGADORES RODAMIENTOS
EXTRACTOR FORZA SERIE 1900 DESPEGADORES RODAMIENTOS
EXTRACTOR FORZA SERIE 1900 DESPEGADORES RODAMIENTOS
EXTRACTOR FORZA SERIE 1900 DESPEGADORES RODAMIENTOS
EXTRACTOR FORZA SERIE 1900 DESPEGADORES RODAMIENTOS
EXTRACTOR FORZA SERIE 1900 DESPEGADORES RODAMIENTOS
El Extractor Serie 1900 es una herramienta mecánica especialmente diseñada para despegar y extraer rodamientos de manera segura y eficiente.
Este equipo incorpora un separador de rodamientos que facilita el acceso y la remoción de los rodamientos incluso en espacios reducidos.
Está equipado con un husillo lateral que permite presionar las patas con precisión, evitando daños tanto en los rodamientos como en las piezas circundantes.
Su husillo cuenta con una cabeza cuadrada, lo que garantiza un mejor agarre para el uso de llaves y otras herramientas de ajuste, proporcionando mayor control y facilidad en la operación.
Esta herramienta es ideal para profesionales en el mantenimiento de maquinaria, mecánicos, y técnicos que buscan una solución rápida y efectiva para la extracción de rodamientos, maximizando la eficiencia en sus tareas diarias.

Recomendaciones de uso:
Asegúrese de que la herramienta esté bien ajustada al rodamiento antes de aplicar presión para evitar deslizamientos.
Utilice siempre una llave adecuada para manipular el husillo de cabeza cuadrada, garantizando un agarre firme y seguro.
Evite aplicar demasiada fuerza de manera repentina; ajuste gradualmente el husillo para facilitar el proceso de extracción.
Antes de usar el extractor, verifique que no haya suciedad o residuos que puedan afectar la operación del equipo.
Siempre use equipo de protección personal, como guantes y gafas, al trabajar con herramientas de extracción para evitar lesiones.

Recomendaciones de mantenimiento:
Lubrique periódicamente el husillo y las partes móviles del extractor para garantizar un funcionamiento suave y prolongar su vida útil.
Después de cada uso, limpie el extractor para remover polvo, suciedad o grasa que puedan afectar su rendimiento.
Almacene la herramienta en un lugar seco y protegido de la humedad para prevenir la corrosión y el desgaste prematuro.
EAN 8424427909524
Referencia 1904
Descripción corta SEPARADOR RODAMIENTOS FORZA 34-120
Peso del artículo (en kg) 1.7
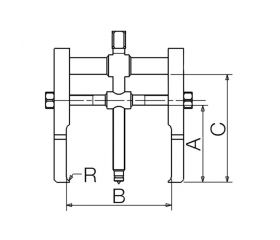
A (Altura útil de pata)80
B (Apertura máxima)120
B (Apertura mínima)34
Garantía Ilimitada por defecto de fabricación
Certificación ISO 9001 & ISO 14001
PROTECTORES DE PUNTO  PARA EXTRACTORES MECÁNICOS

PROTECTORES DE PUNTO PARA EXTRACTORES MECÁNICOS

JUEGO DE 3 PROTECTORES DE PUNTO Ø13

8424427624205

PATA  PARA DESPEGADOR SERIE 1900E

PATA PARA DESPEGADOR SERIE 1900E

PATA EXTERIORES 1904E

8424427564006

HUSILLOS PARA SERIES 1300-1300T-1300L-1300LT

HUSILLOS PARA SERIES 1300-1300T-1300L-1300LT

HUSILLO EXTRACTOR 1304

8424427330700

EXTRACTOR FORZA SERIE 1900E PARA EXTERIORES

EXTRACTOR FORZA SERIE 1900E PARA EXTERIORES

8424427894431

EXTRACTOR FORZA SERIE 1900R PARA ROSCAS

EXTRACTOR FORZA SERIE 1900R PARA ROSCAS

8424427024074

JUEGO FORZA 1900K DE EXTRACTORES MECÁNICOS

JUEGO FORZA 1900K DE EXTRACTORES MECÁNICOS

8424427459883

EXTRACTOR FORZA SERIE 1900V PARA POLEAS EN V

EXTRACTOR FORZA SERIE 1900V PARA POLEAS EN V

8424427499711