
| EAN | 8423533721228 |
| Referencia | D603910040 |
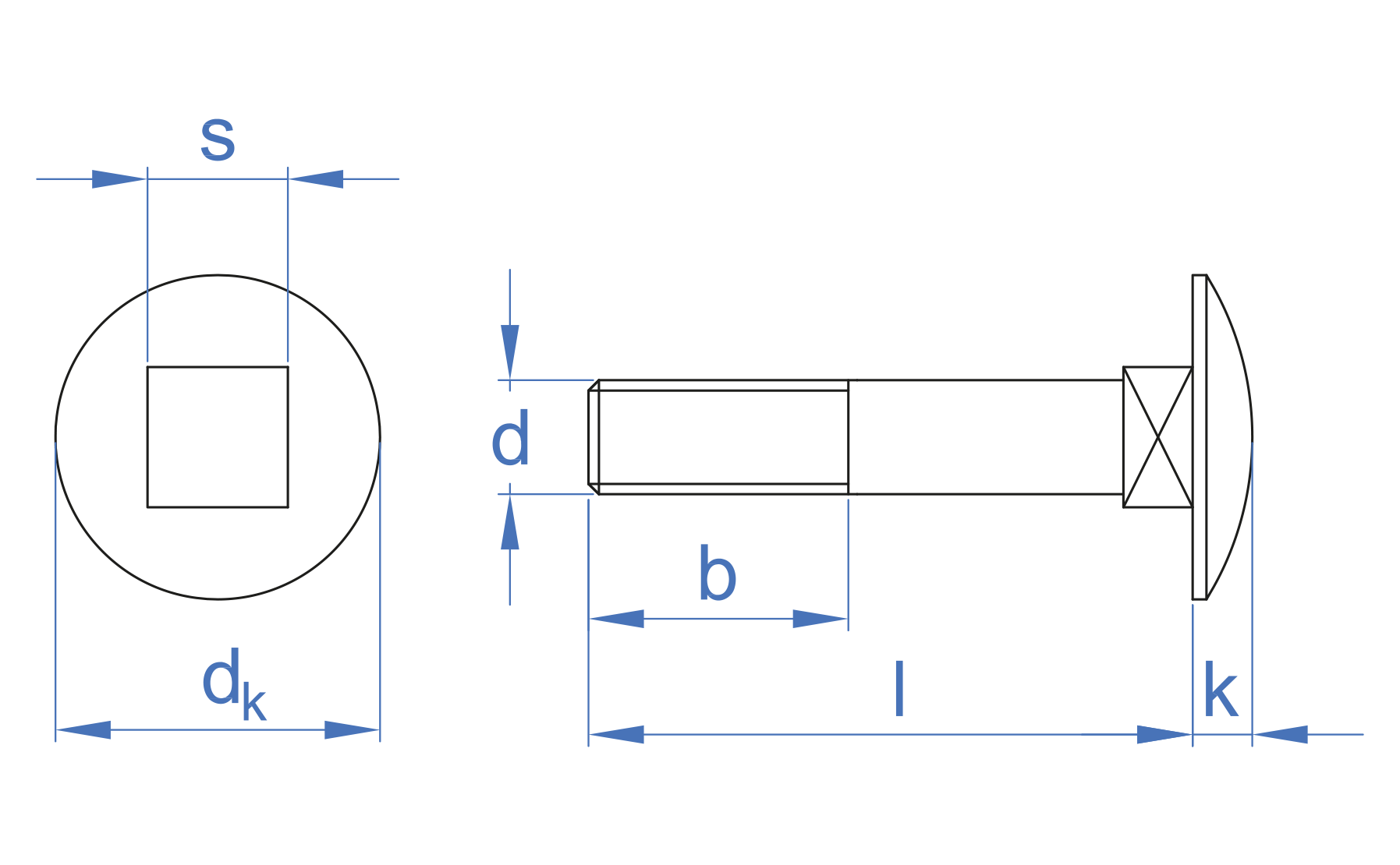
| Descripción corta | [CP DIN-603/934] M10 x 40 |
| Material | Zincado |
| Acabado | Zincado |
| Peso del artículo (en kg) | 0.0498 |
| Medida | M10 x 40 |
| Nº Huella | PC10 |
| L | 40 |
| Llave de instalación | 10 |
| Ø Cabeza | 24 |
| Espesor cabeza | 5 |
| M (”) | M10 |
| M x L | M10 x 40 |
DIN-603/934 [BL] Tornillo con cabeza redonda con cuello cuadrado y tuerca hexagonal. Zincado
8423533425454
DIN-125 [CP] Arandela plana. Zincada
8423533830746
DIN-127 [CP] Arandela muelle Grower
8423533830760
DIN-912 [CP] Tornillo rosca métrica con cabeza Allen 8.8. Zincado
8423533830784
DIN-933 [CP] Tornillo rosca métrica con cabeza hexagonal 8.8. Rosca completa. Zincado
8423533833358
DIN-934 [CP] Tuerca hexagonal. Zincada
8423533834027
DIN-603/934 [CV] Tornillo con cabeza redonda con cuello cuadrado y tuerca hexagonal. Zincado
8423533757760