
| EAN | 8423533483430 |
| Referencia | TWA06060 |
| Descripción corta | [CP TWA] 6 x 60 Ø6 |
| Material | Zincado |
| Acabado | Zincado |
| Peso del artículo (en kg) | 0.0098 |
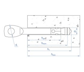
| Medida | 6 x 60 Ø6 |
| L | 60 |
| Prof. mín. Anclaje | 50 |
| Prof. mín. de taladro | 55 |
| Profundidad efectiva | 40 |
| Ø Broca | 6 |
| Espesor mín. material base | 100 |
| Distancia min. entre ejes "B" | 120 |
| Distancia min. al borde "A" | 60 |
| M (”) | M6 |
| M x L | M6 x 60 |
| Extracción hormigón no-fisurado | 142 |
B-HDS [CP] Broca SDS-Plus de alta calidad
8423533661913
CH-AR [CP] Anclaje camisa antigiro para cargas medias. Argolla
8423533584229
CH-GA [CP] Anclaje camisa antigiro para cargas medias. Gancho
8423533584298
MTA [CP] Anclaje macho para cargas altas. Eje zincado. Clip zincado
8423533008701
MTH [CP] Anclaje macho para cargas altas en hormigón no fisurado. Homologado ETE Opt.7. Eje zincado. Clip zincado
8423533574909
TFF [CP] Anclaje de fijación directa en hormigón con recubrimiento zincado. Homologado ETE Opt.1. Rosca hembra métrica
8423533918574
TFM [CP] Anclaje de fijación directa en hormigón con recubrimiento zincado. Homologado ETE Opt.1. Rosca macho métrica
8423533845788
ZA-AR [CP] Anclaje de zamak para cargas medias-altas en materiales macizos o huecos. Argolla
8423533026101