
| EAN | 8423533867926 |
| Referencia | AISM08140 |
| Descripción corta | [CP AIS-M] Ø8 x 140 |
| Material | Zincado |
| Acabado | Zincado |
| Peso del artículo (en kg) | 0.02 |
| Medida | Ø8 x 140 |
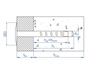
| L | 140 |
| Prof. mín. Anclaje | 40 |
| Prof. mín. de taladro | 50 |
| Diámetro (mm) | 35 |
| Ø Broca | 8 |
| Espesor mín. material base | 100 |
| Espesor máx. a fijar | 100 |
| Distancia min. entre ejes "B" | 100 |
| Distancia min. al borde "A" | 100 |
| M (”) | 8 |
| M x L | 8 x 140 |
| Extracción hormigón no-fisurado | 10 |
| Extracción hormigón fisurado | 10 |