preloader
BRALO - 01010005035
REMACHES Y PERNOS COLLAR

REMACHE ESTÁNDAR BRALO ALUMINIO / ACERO CABEZA ALOMADABRALO

  • Permite el acceso por una sola cara, ideal para aplicaciones en espacios reducidos o cerrados.
  • No deforma ni daña superficies pintadas, esmaltadas o tratadas tras el proceso de remachado.
  • Ofrece gran resistencia a tracción y cizallamiento, asegurando uniones firmes y duraderas.
  • Disponible en aleaciones con magnesio, proporcionando excelente resistencia a la corrosión.
  • Es apto para unir materiales diversos como metales, plásticos o compuestos, ampliando sus posibilidades de uso.
REMACHE ESTÁNDAR BRALO ALUMINIO / ACERO CABEZA ALOMADA
REMACHE ESTÁNDAR BRALO ALUMINIO / ACERO CABEZA ALOMADA
REMACHE ESTÁNDAR BRALO ALUMINIO / ACERO CABEZA ALOMADA
REMACHE ESTÁNDAR BRALO ALUMINIO / ACERO CABEZA ALOMADA
Los remaches estándar son remaches ciegos de rotura de vástago.
Están concebidos para la unión, de una forma rápida y fácil, de todo tipo de materiales cuando no se requiere una fuerza de apriete extrafuerte.
El remache Estándar Bralo está disponible en una amplia gama de diámetros, desde 2.4 mm a 7.8 mm., cubriendo un amplio rango de espesor a remachar (de 0,8 mm hasta 185 mm), y en gran variedad de materiales y acabados, como lacados o recubrimientos protectores.

Características y beneficios:

Amplio rango de espesor a remachar, desde 0,8 mm hasta 185 mm.
Amplia gama de diámetros, desde 2.4 mm a 7.8 mm.
Disponible en un amplio surtido de materiales: aluminio, acero, acero inoxidable, cobre, etc.
Acceso por una sola cara (remache ciego).
Se pueden unir distintos materiales, con distintos tipos de fabricación: compuestos, materiales laminados, tratados térmicamente, etc.
No deforma las superficies una vez remachadas (pintadas, esmaltadas, etc.).
Buen comportamiento frente a las variaciones de temperatura.
No se aflojan por acción de solicitaciones dinámicas (vibraciones en general)
Disponible en aleación con contenido en Magnesio del 3,5 y 5.0, que confieren una gran resistencia a tracción y cizallamiento, una excelente fuerza de apriete y una elevada resistencia a la corrosión.
Montaje rápido, económico y de gran calidad.

Materiales a remachar:

Metal a Metal
Aluminio
Acero
Acero Inoxidable
Cobre
Plástico a Metal

Aplicaciones:

Automoción
Carrocerías - vehículos industriales
Electrónica
Climatización y Calefacción
Construcción
Industria metálica
Mobiliario metálico
Electrodomésticos
Fabricación de escaleras
EAN 8423552012796
Referencia 01010005035
Descripción corta REMACHE Ø 5,0 X 35 ALU/AC
Material ALUMINIO/ACERO
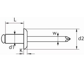
Diametro Ø mm 5,0
Largo (Nominal) mm 35
Broca (mm)5.1
d2 mm9.5
K mm1.6
W mm2.65
Rango de espesor (Min-Max)27 - 30
Cizalladura (N)2150
Tracción (N)3100
REMACHADORA PROFESIONAL MANUAL BRALO BM-75

REMACHADORA PROFESIONAL MANUAL BRALO BM-75

8423552050620

REMACHADORA PROFESIONAL MANUAL BRALO  BM-85

REMACHADORA PROFESIONAL MANUAL BRALO BM-85

8423552050668

REMACHADORA FUELLE BRALO  BM-68

REMACHADORA FUELLE BRALO BM-68

8423552067727

REMACHADORA MANUAL BRALO BM-160

REMACHADORA MANUAL BRALO BM-160

8423552050958